한솔아카데미 로고

  • 시험정보
  • 수강신청
  • 교수소개
  • 교재안내
  • 학습게시판
  • 나의강의실
고용보험환급
학습게시판

학습Q&A

HOME>학습게시판>학습Q&A

글보기
제목
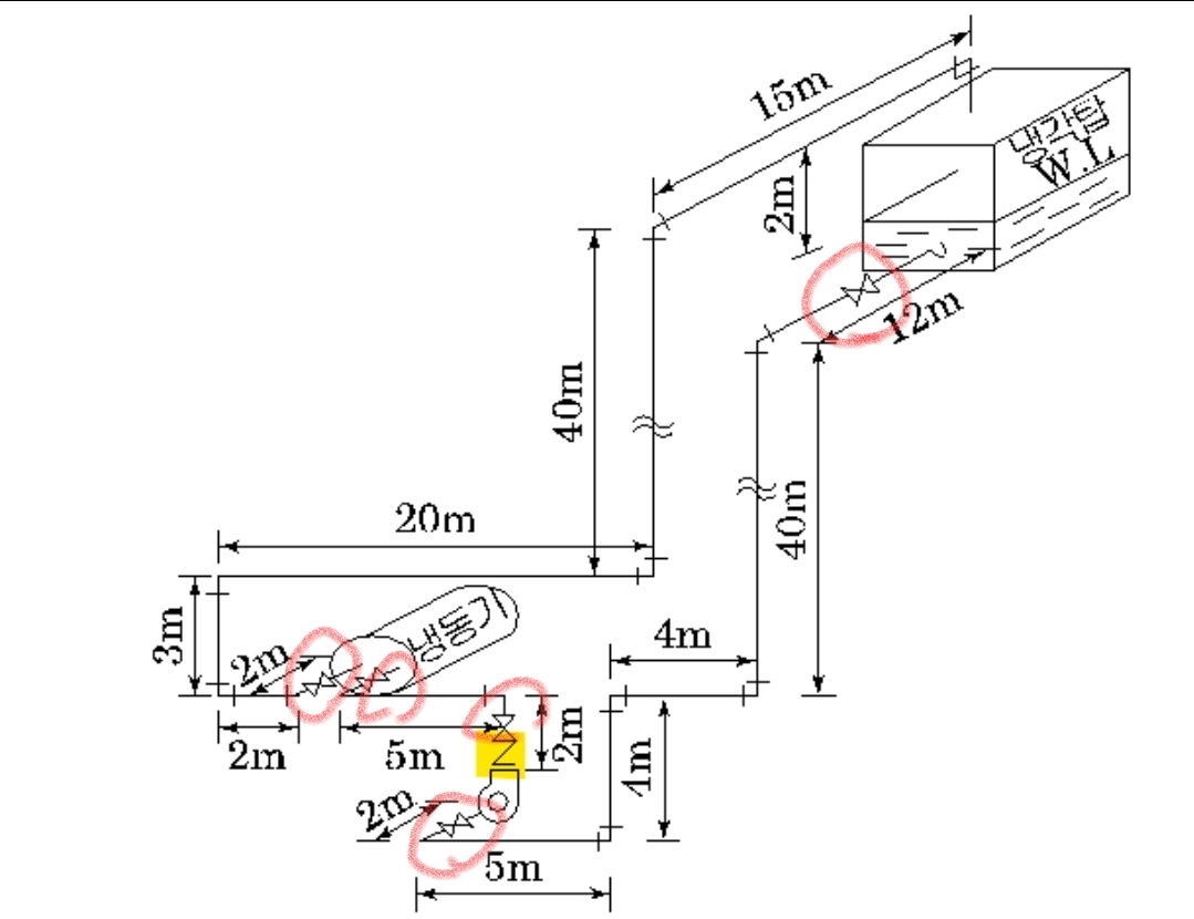
2025년 교재 499페이지 문제 21번 문의드립니다
질문유형 기타문의 > 기타사항
글쓴이 박*영 등록일 2025.10.19 답변상태 답변완료
  • 교수님 안녕하세요 항상 빠르고 친절한 답변에 너무 감사드립니다. 

    문제21번에서 밸브, 이음쇠 손실을 구할때 게이트밸브는 5개, 체크밸브는 1개로 하셨는데 문제 그림에서 보면 밸브가 표시된 총 개수가 아무리 헤아려도 5개인데 어떻게 6개가 되는지 그리고 체크밸브 1개는 어디에 설치된 밸브인지 설명을 부탁드립니다. 

  • 강희중 |(2025.10.19 08:46)

    네, 안녕하세요.

    밸브는 5개가 맞습니다.

    제가 잘 못 설명한 부분이 있나요?

     

    그리고

    체크밸브는 펌프 후단에 설치해야하는 밸브입니다.

    따라서 펌프 후단 Z 모양의 밸브입니다.

    그림참조

목록